Resistance: working with resistors

Fundamentals of using resistors in Series and Parallel circuits

Series Circuits

Key Fundamentals

  • When Resistors are wired in Series, each individual resistance can be added up, to find the total circuit resistance

  • For example: in a circuit with 3x 100Ω resistors, the total circuit resistance will be 100Ω + 100Ω +100Ω = 300Ω

Example 1

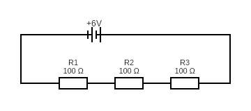
In this example we connect 3 resistors (each 100Ω) in a straight line with a 6Volt battery pack. This type of configuration is called an “in Series circuit”.

We then use a multimeter to measure the total resistance of the circuit.

  • Tip: resistors are not polarized. That means it does not matter which end you face the resistor when connecting it to your circuit (unlike the LED we’ve encountered in projects 1 &2, which are polarity-sensitive)

Below is a schematic diagram you can follow to create this circuit:

Measuring resistance in a Series circuit

  • We can notice the total resistance across all 3 resistors is 300Ω (or very close, as detected by the multimeter in our example image above)

  • All multimeters and circuit components come with a certain margin of error in their measurement or values. This is called “tolerance”. Components and measuring tools with a lower tolerance are more precise, and usually also more expensive. This is a key factor that electrical engineers decide, when choosing components.

Parallel Circuits

Key Fundamentals

  • Resistors wired in parallel will lower the total circuit’s resistance

  • This is because we have created additional pathways for current to flow, therefore lowering the circuit’s total resistance